您好!欢迎访问「常州高可智能科技有限公司」网站!

NTN 2A-BST45X100-1BL#03轴承尺寸、参数、图纸、互换、价格

NTN 2A-BST45X100-1BL#03轴承

更新时间:2026.04.26

轴承型号:2A-BST45X100-1BL#03,滚珠丝杠用单列角接触推力球轴承 - 双面密封,其基础型号为45X100,前缀列表:【2A-:特殊热处理】【BST:Ball Screw Support,即滚珠丝杠支撑】,后缀列表:【-1B:标准预紧】【L:轻微接触式丁腈橡胶密封】【#03:无意义后缀】

技术研究
技术研究 如您是工程师,需要对轴承进行研究、计算、选型等,都可以直接联系我,微信:caloc-cn。
产品咨询
产品咨询 如您对产品有任何需求,包括询价、采买以及替换等,都可以直接联系我,联系方式如下。
在线咨询咨询热线
138 6103 7112
电话咨询电话/微信(长按复制)
13504113081

NTN 2A-BST45X100-1BL#03轴承代号说明

2
A
-
B
S
T
4
5
X
1
0
0
-
1
B
L
#
0
3
2A-:特殊热处理
BST:Ball Screw Support,即滚珠丝杠支撑
45:公称内径:45 mm
X:分隔符
100:外径:100 mm
-1B:标准预紧
L:轻微接触式丁腈橡胶密封
#03:无意义后缀
2A-:
特殊热处理
BST:
Ball Screw Support,即滚珠丝杠支撑
45:
公称内径:45 mm
X:
分隔符
100:
外径:100 mm
-1B:
标准预紧
L:
轻微接触式丁腈橡胶密封
#03:
无意义后缀

NTN 2A-BST45X100-1BL#03轴承技术规格

类型 滚珠丝杠支承轴承
内孔型式 圆柱孔
材质 高碳铬钢
保持架型式 模塑
保持架材质 合成树脂
密封型式 轻微接触式
密封圈材质 丁腈橡胶
精度 ISO Class 4
结构 单列
基本额定静载荷 34500 lbf
153000 N
153.00 kN
基本额定动载荷 13900 lbf
62000 N
62.00 kN
附件 双面密封
应用温度范围 -40 to 250 ºF
-40 to 120 ºC

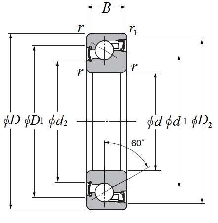
NTN 2A-BST45X100-1BL#03轴承尺寸规格

滚珠丝杠用单列角接触推力球轴承 - 双面密封 - 尺寸
d 1.7717 in
45.000 mm
D 3.9370 in
100.000 mm
B 0.7874 in
20.000 mm
d1 2.9843 in
75.800 mm
d2 2.7598 in
70.100 mm
D1 3.3937 in
86.200 mm
D2 3.6457 in
92.600 mm
r 0.0394 in
1.000 mm
r1 0.0236 in
0.600 mm
接触角 60 º
NTN 2A-BST45X100-1BL#03轴承图纸
尺寸图
轴承推荐