INA ZKLR1244-2RS轴承尺寸、参数、图纸、互换、价格
INA ZKLR1244-2RS轴承
更新日期:2025-03-17 19:27:24
市场价:¥1352.27元
销售价:电话咨询
库存:1套
INA ZKLR1244-2RS轴承属于角接触球轴承单元ZKLR..-2RS,双向,螺钉安装,两侧带唇形密封件。
前缀列表:【ZKLR:丝杠用双列推力角接触球轴承单元(螺栓安装)】。后缀列表:【-2RS:两侧有轴向防护型接触唇式密封圈】。
技术研究
如您是工程师,需要对轴承进行研究、计算、选型等,都可以直接联系我,微信:caloc-cn。
产品咨询
如您对产品有任何需求,包括询价、采买以及替换等,都可以直接联系我,联系方式如下。
在线咨询咨询热线
138 6103 7112
138 6103 7112
电话咨询电话/微信(长按复制)
13504113081
13504113081
Z
K
L
R
1
2
4
4
-
2
R
S
ZKLR:丝杠用双列推力角接触球轴承单元(螺栓安装)
12:内径代号,内径:12 mm
44:宽度代号,宽度:44 mm
-2RS:两侧有轴向防护型接触唇式密封圈
ZKLR:
丝杠用双列推力角接触球轴承单元(螺栓安装)
12:
内径代号,内径:12 mm
44:
宽度代号,宽度:44 mm
-2RS:
两侧有轴向防护型接触唇式密封圈
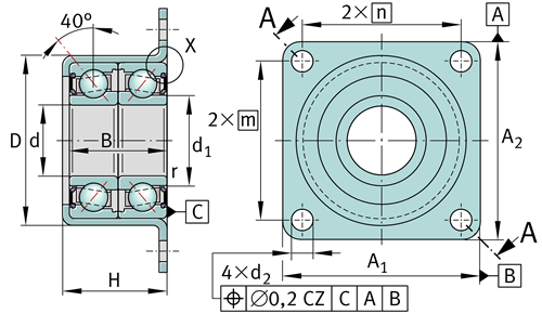
| 主要尺寸&性能数据 | ||
| d | 12 mm | 内径 |
| 0 mm | 内径上公差 | |
| -0.007 mm | 内径下公差 | |
| D | 35.45 mm | 轴承箱外径 |
| 0.03 mm | 轴承箱外径上公差 | |
| -0.01 mm | 轴承箱外径下公差 | |
| B | 20 mm | 内圈宽度 |
| 0.25 mm | 内圈宽度上公差 | |
| -0.25 mm | 内圈宽度下公差 | |
| Cr | 13,600 N | 径向额定动载荷 |
| C0r | 8,500 N | 径向额定静载荷 |
| Ca | 13,200 N | 基本额定动载荷,轴向 |
| C0a | 17,900 N | 基本额定静载荷,轴向 |
| Cur | 445 N | 径向极限疲劳载荷 |
| nG Grease | 3,700 1/min | 极限转速-脂润滑 |
| MRL | 0.16 Nm | 轴承摩擦力矩 |
| 0.12 kg | 重量 | |
| 尺寸参数 | ||
| d1 | 16.6 mm | 内圈挡边直径 |
| rmin | 0.3 mm | 最小倒角尺寸 |
| d2 | 6.6 mm | 固定孔直径 |
| A1 | 44 mm | 法兰宽度 |
| A2 | 50 mm | 法兰高度 |
| m | 38 mm | 孔距高度 |
| n | 32 mm | 孔距宽度 |
| H | 22 mm | 外壳高度 |
| 0 mm | 外壳高度上公差 | |
| -0.5 mm | 外壳高度下公差 | |
| 安装参数 | ||
| da | 14 mm | 轴肩直径 |
| Dai | 27 mm | 外圈内侧支架直径 |
| Daa min | 32 mm | 外圈最小支撑直径 |
| M6 | 螺钉尺寸 | |
| n | 4 | 螺钉数量 |
| t1 | 0.2 mm | 将孔定位到壳体中 |
| 附加附件 | ||
| caL | 170 N/µm | 轴向刚度 |
| Mm | 0.01 kg * cm² | 质量惯性矩 |
| 7 µm | 轴向跳动 | |
| ZM12 | 锁紧螺母1 | |
| MA | 8 Nm | 螺母拧紧力矩 |
| 密封 | 2RS | 两侧接触式唇形密封件 |
