INA RUS65210-GR3/-11-20轴承尺寸、参数、图纸、互换、价格
INA RUS65210-GR3/-11-20轴承
更新日期:2025-03-17 21:37:31
市场价:¥26796元
销售价:电话咨询
库存:6套
INA RUS65210-GR3/-11-20轴承属于带间隔元件的直线滚子轴承 RUS.. 系列。
前缀列表:【RUS:直线滚子循环滑块轴承】。后缀列表:【-GR3:未知代号】【/-11-20:公差或者游隙范围 -11-20 μm】。
技术研究
如您是工程师,需要对轴承进行研究、计算、选型等,都可以直接联系我,微信:caloc-cn。
产品咨询
如您对产品有任何需求,包括询价、采买以及替换等,都可以直接联系我,联系方式如下。
在线咨询咨询热线
138 6103 7112
138 6103 7112
电话咨询电话/微信(长按复制)
13504113081
13504113081
R
U
S
6
5
2
1
0
-
G
R
3
/
-
1
1
-
2
0
RUS:直线滚子循环滑块轴承
65210:与轴承尺寸有关的基本代号
-GR3:未知代号
/-11-20:公差或者游隙范围 -11-20 μm
RUS:
直线滚子循环滑块轴承
65210:
与轴承尺寸有关的基本代号
-GR3:
未知代号
/-11-20:
公差或者游隙范围 -11-20 μm
| 主要尺寸&性能数据 | ||
| Ltot | 232 mm | 总长度 |
| L | 211.4 mm | |
| B | 76 mm | 宽度 |
| H | 65 mm | 高度 |
| C | 465,000 N | 基本额定动载荷 |
| C | 345,000 N | 基本额定静载荷 |
| 7.5 kg | 重量 | |
| 安装参数 | ||
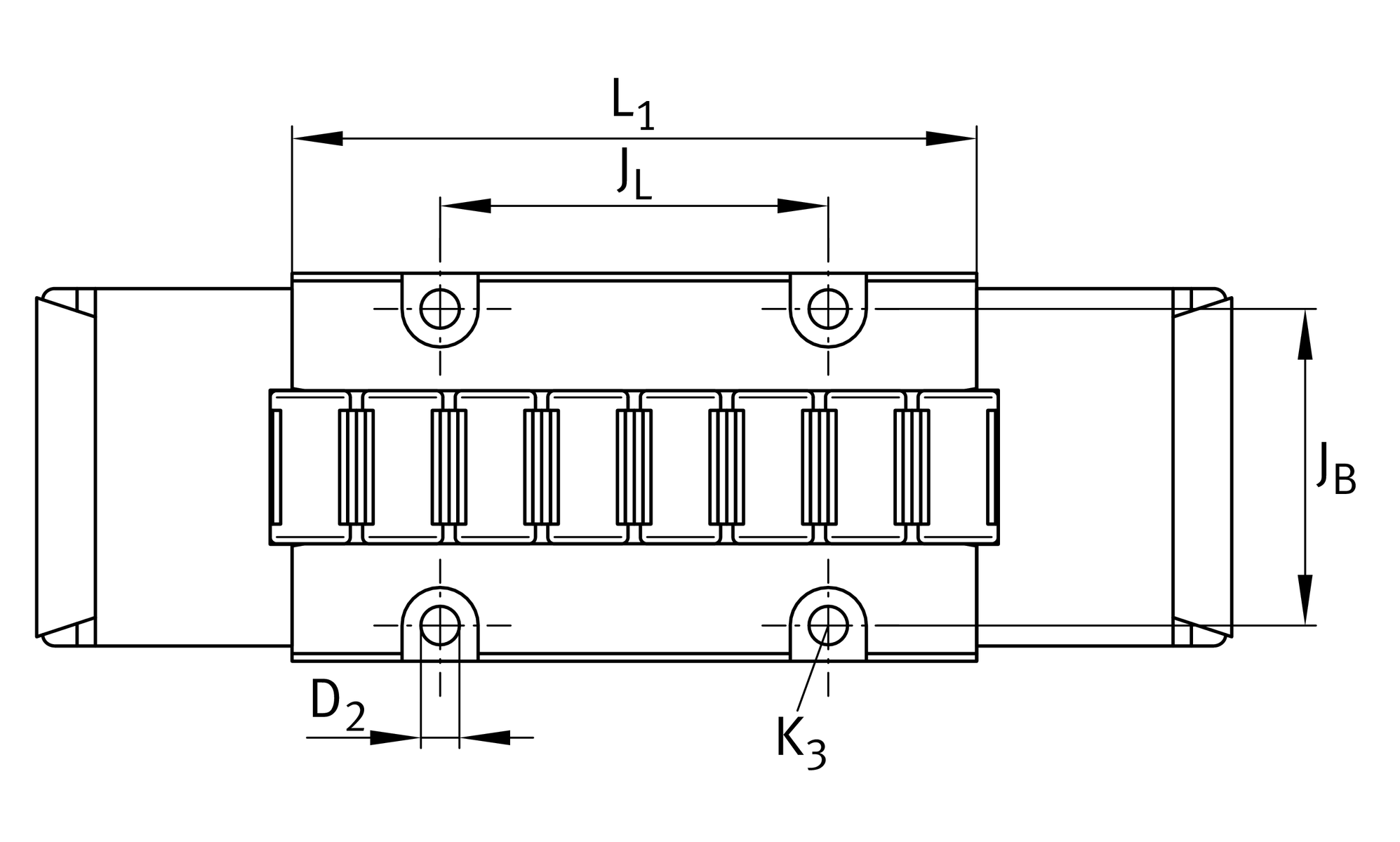
| L1 | 133.5 mm | 安装尺寸 |
| JB | 62 mm | 安装尺寸 |
| JL | 76 mm | 安装尺寸 |
| H1 | 0.5 mm | |
| LW | 30 mm | |
| A3 | 26 mm | |
| H4 | 55.4 mm | |
| T5 | 22.2 mm | |
| G1 | M10 | 顶部固定螺钉(DIN ISO 4762-12.9) |
| G1 MA | 83 Nm | 固定螺钉拧紧扭矩 |
| K3 | M8 | 固定螺钉(DIN ISO 4762-12.9) |
| K3 MA max | 41 Nm | 固定螺钉拧紧扭矩 |
| D2 | 9 mm | |
| LS | 234 mm | |
| A4 | 34 mm | |
| M8x1 | 润滑接头DIN3405-A | |
| 6 mm | ||
| 相关产品 | ||
| VUS65210 | 调整钩头 | |
| UG16260, UGN16260-A, UZ16260, UZN16260-A, UFK8815, UFB10615 | 适合的导轨 | |
| 尺码代码 | 65210 |
