INA RAE30-XL-NPP-NR轴承尺寸、参数、图纸、互换、价格
INA RAE30-XL-NPP-NR轴承
更新日期:2025-02-27 18:57:30
市场价:¥82.81元
销售价:电话咨询
库存:82套
INA RAE30-XL-NPP-NR轴承属于径向外球面轴承 RAE..-NPP-NR 系列,圆柱外圈,通过偏心锁环定位,外圈带卡环槽,双面带P型密封件。
前缀列表:【RA:通过偏心套圈固定内圈,内圈在一侧加宽】【E:公制尺寸】。后缀列表:【-XL:X-life 长寿命轴承标记】【-NPP:两侧有唇密封(P 型密封)】【-NR:带止动槽和止动环】。
技术研究
如您是工程师,需要对轴承进行研究、计算、选型等,都可以直接联系我,微信:caloc-cn。
产品咨询
如您对产品有任何需求,包括询价、采买以及替换等,都可以直接联系我,联系方式如下。
在线咨询咨询热线
138 6103 7112
138 6103 7112
电话咨询电话/微信(长按复制)
13504113081
13504113081
R
A
E
3
0
-
X
L
-
N
P
P
-
N
R
RA:通过偏心套圈固定内圈,内圈在一侧加宽
E:公制尺寸
30:基本代号,与轴承内径尺寸有关
-XL:X-life 长寿命轴承标记
-NPP:两侧有唇密封(P 型密封)
-NR:带止动槽和止动环
RA:
通过偏心套圈固定内圈,内圈在一侧加宽
E:
公制尺寸
30:
基本代号,与轴承内径尺寸有关
-XL:
X-life 长寿命轴承标记
-NPP:
两侧有唇密封(P 型密封)
-NR:
带止动槽和止动环
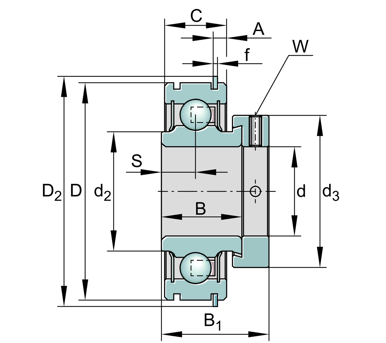
| 主要尺寸&性能数据 | ||
| d | 30 mm | 内径 |
| D | 62 mm | 外径 |
| B | 23.8 mm | 宽度 |
| B1 | 35.8 mm | 锁环总宽度 |
| Cr | 19,500 N | 径向额定动载荷 |
| C0r | 11,300 N | 径向额定静载荷 |
| Cur | 480 N | 径向极限疲劳载荷 |
| 0.32 kg | 重量 | |
| 尺寸参数 | ||
| C | 18 mm | 外圈宽度 |
| S | 9 mm | 滚道距离 |
| d2 | 37.4 mm | 内圈挡边密封直径 |
| d3 | 44 mm | 外圈锁环/锁紧螺母 |
| A | 4.98 mm | 卡环距离 |
| 0 mm | 扣环上距离公差 | |
| -0.3 mm | 扣环下距离公差 | |
| W | 4 mm | 单元宽度 |
| D2 | 67.7 mm | 卡环外径 |
| 0 mm | 卡环上宽度公差 | |
| -0.1 mm | 卡环下宽度公差 | |
| 计算因素 | ||
| f | 13.8 | 计算因子 |
| 密封 | NPP | 双面密封 |

