INA NKXR50-XL轴承尺寸、参数、图纸、互换、价格
INA NKXR50-XL轴承
更新日期:2025-02-28 20:21:20
市场价:¥490.9元
销售价:电话咨询
库存:30套
INA NKXR50-XL轴承属于滚针/轴向圆柱滚子轴承 NKXR 系列,轴向分离,单向,符合 DIN 5429 标准,不带端盖,使用润滑油润滑。
前缀列表:【NKXR:滚针与推力圆柱滚子复合轴承,不带内圈】。后缀列表:【-XL:X-life 长寿命轴承标记】。
技术研究
如您是工程师,需要对轴承进行研究、计算、选型等,都可以直接联系我,微信:caloc-cn。
产品咨询
如您对产品有任何需求,包括询价、采买以及替换等,都可以直接联系我,联系方式如下。
在线咨询咨询热线
138 6103 7112
138 6103 7112
电话咨询电话/微信(长按复制)
13504113081
13504113081
N
K
X
R
5
0
-
X
L
NKXR:滚针与推力圆柱滚子复合轴承,不带内圈
50:内径代号,内径:50 mm
-XL:X-life 长寿命轴承标记
NKXR:
滚针与推力圆柱滚子复合轴承,不带内圈
50:
内径代号,内径:50 mm
-XL:
X-life 长寿命轴承标记
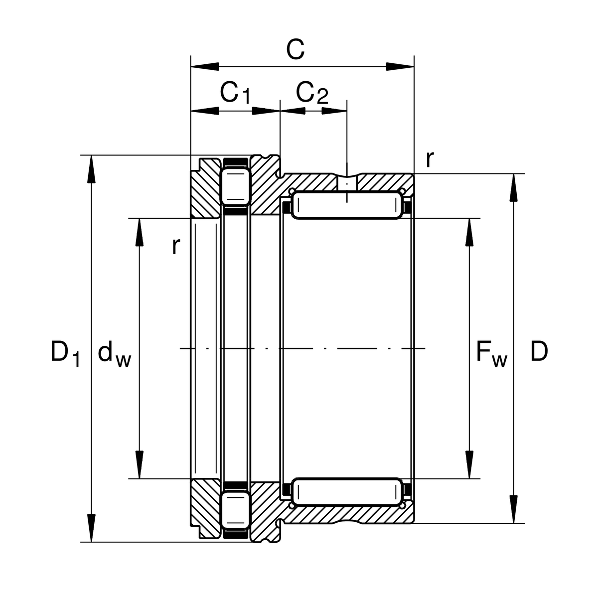
| 主要尺寸&性能数据 | ||
| Fw | 50 mm | 内径 |
| D | 62 mm | 外径 |
| C | 35 mm | 高度 |
| Cr | 43,000 N | 径向额定动载荷 |
| C0r | 74,000 N | 径向额定静载荷 |
| Ca | 62,000 N | 基本额定动载荷,轴向 |
| C0a | 177,000 N | 基本额定静载荷,轴向 |
| Cur | 12,900 N | 径向极限疲劳载荷 |
| Cua | 17,700 N | 极限疲劳载荷,轴向 |
| nG | 4,800 1/min | 极限转速 |
| nϑr | 1,700 1/min | 参考转速 |
| 267.82 g | 重量 | |
| 尺寸参数 | ||
| D1 max | 70.2 mm | 法兰最大外径 |
| D2 max | 70.2 mm | 法兰最大外径 |
| C1 | 14 mm | 轴向密封组件的宽度 |
| C2 | 10 mm | 到润滑孔的距离 |
| dw | 50 mm | 轴垫圈内径 |
| rmin | 0.6 mm | 最小倒角尺寸 |
| 安装参数 | ||
| da | 65.5 mm | 轴肩安装尺寸 |
| ra max | 0.6 mm | 最大凹槽半径 |
| 工作温度 | ||
| Tmin | -30 °C | 最低工作温度 |
| Tmax | 120 °C | 最高工作温度 |
| 附加附件 | ||
| IR45X50X25-XL | 配套的内圈型号 | |
| 密封 | 不带 |
| 其他型号 | 市场价 | 销售价 | 库存 |
| INA NKXR50轴承 | ¥505.76元 | - | 11 |

