INA HYDNUT150-HEAVY轴承尺寸、参数、图纸、互换、价格
H
Y
D
N
U
T
1
5
0
-
H
E
A
V
Y
HYDNUT:液压螺母
150:未知基本代号,应与基本尺寸有关
-HEAVY:重型
HYDNUT:
液压螺母
150:
未知基本代号,应与基本尺寸有关
-HEAVY:
重型
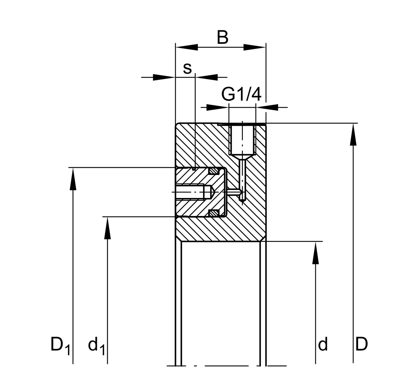
| 技术参数 | ||
| d | 150 mm | 内径(公差:H7) |
| D | 270 mm | 外径 |
| B | 46 mm | 宽度 |
| D1 | 226 mm | |
| d1 | 180 mm | |
| s | 10 mm | 一下,最大 |
| 147 cm² | 活塞表面 | |
| 600 bar | 压力,最大 | |
| 880 kN | 加大力度,最大 | |
| 14.1 kg | 重量 | |
| 系列 | HEAVY | 无螺纹加强版 |
