INA GE60-XL-KTT-B轴承尺寸、参数、图纸、互换、价格
INA GE60-XL-KTT-B轴承
更新日期:2025-02-27 15:19:16
市场价:¥954.55元
销售价:电话咨询
库存:105套
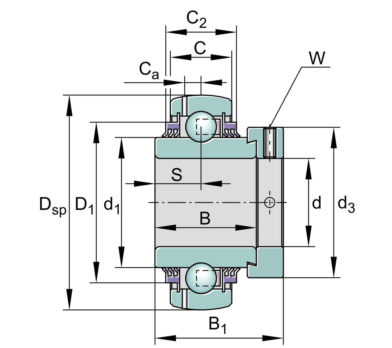
INA GE60-XL-KTT-B轴承属于径向外球面轴承 GE..-KTT-B 系列,球面外圈,通过偏心锁环定位,双面带T型密封。
前缀列表:【G:带润滑孔的外球面球轴承】【E:公制尺寸】。后缀列表:【-XL:X-life 长寿命轴承标记】【-KTT:两侧有三层唇型密封(T 型密封)】【-B:球面外圈】。
技术研究
如您是工程师,需要对轴承进行研究、计算、选型等,都可以直接联系我,微信:caloc-cn。
产品咨询
如您对产品有任何需求,包括询价、采买以及替换等,都可以直接联系我,联系方式如下。
在线咨询咨询热线
138 6103 7112
138 6103 7112
电话咨询电话/微信(长按复制)
13504113081
13504113081
G
E
6
0
-
X
L
-
K
T
T
-
B
G:带润滑孔的外球面球轴承
E:公制尺寸
60:基本代号,与轴承内径尺寸有关
-XL:X-life 长寿命轴承标记
-KTT:两侧有三层唇型密封(T 型密封)
-B:球面外圈
G:
带润滑孔的外球面球轴承
E:
公制尺寸
60:
基本代号,与轴承内径尺寸有关
-XL:
X-life 长寿命轴承标记
-KTT:
两侧有三层唇型密封(T 型密封)
-B:
球面外圈
| 主要尺寸&性能数据 | ||
| d | 60 mm | 内径 |
| DSP | 110 mm | 外径 |
| B | 61.9 mm | 宽度 |
| B1 | 77.9 mm | 锁环总宽度 |
| nG Grease | 7,300 1/min | 极限转速-脂润滑 |
| Cr | 56,000 N | 径向额定动载荷 |
| C0r | 36,000 N | 径向额定静载荷 |
| Cur | 1,870 N | 径向极限疲劳载荷 |
| 1.79 kg | 重量 | |
| 尺寸参数 | ||
| C | 24 mm | 外圈宽度 |
| C2 | 29 mm | 密封总宽度 |
| S | 31 mm | 滚道距离 |
| d1 | 76.5 mm | 内圈挡边直径 |
| D1 | 94.5 mm | 密封件外径 |
| Ca | 7.2 mm | 到润滑孔的距离 |
| d3 | 84 mm | 外圈锁环/锁紧螺母 |
| W | 5 | 单元宽度 |
| 计算因素 | ||
| f | 14.3 | 计算因子 |
| 密封 | KTT | 双面三层唇封 |
| 外表面形状 | B | B |

