INA GE30-XL-KLL-B轴承尺寸、参数、图纸、互换、价格
INA GE30-XL-KLL-B轴承
更新日期:2025-02-27 15:15:12
市场价:¥160.78元
销售价:电话咨询
库存:7套
INA GE30-XL-KLL-B轴承属于径向外球面轴承 GE..-KLL-B 系列,球面外圈,通过偏心锁环定位,两侧带L型密封。
前缀列表:【G:带润滑孔的外球面球轴承】【E:公制尺寸】。后缀列表:【-XL:X-life 长寿命轴承标记】【-KLL:两侧有迷宫式密封(L 型密封)】【-B:球面外圈】。
技术研究
如您是工程师,需要对轴承进行研究、计算、选型等,都可以直接联系我,微信:caloc-cn。
产品咨询
如您对产品有任何需求,包括询价、采买以及替换等,都可以直接联系我,联系方式如下。
在线咨询咨询热线
138 6103 7112
138 6103 7112
电话咨询电话/微信(长按复制)
13504113081
13504113081
G
E
3
0
-
X
L
-
K
L
L
-
B
G:带润滑孔的外球面球轴承
E:公制尺寸
30:基本代号,与轴承内径尺寸有关
-XL:X-life 长寿命轴承标记
-KLL:两侧有迷宫式密封(L 型密封)
-B:球面外圈
G:
带润滑孔的外球面球轴承
E:
公制尺寸
30:
基本代号,与轴承内径尺寸有关
-XL:
X-life 长寿命轴承标记
-KLL:
两侧有迷宫式密封(L 型密封)
-B:
球面外圈
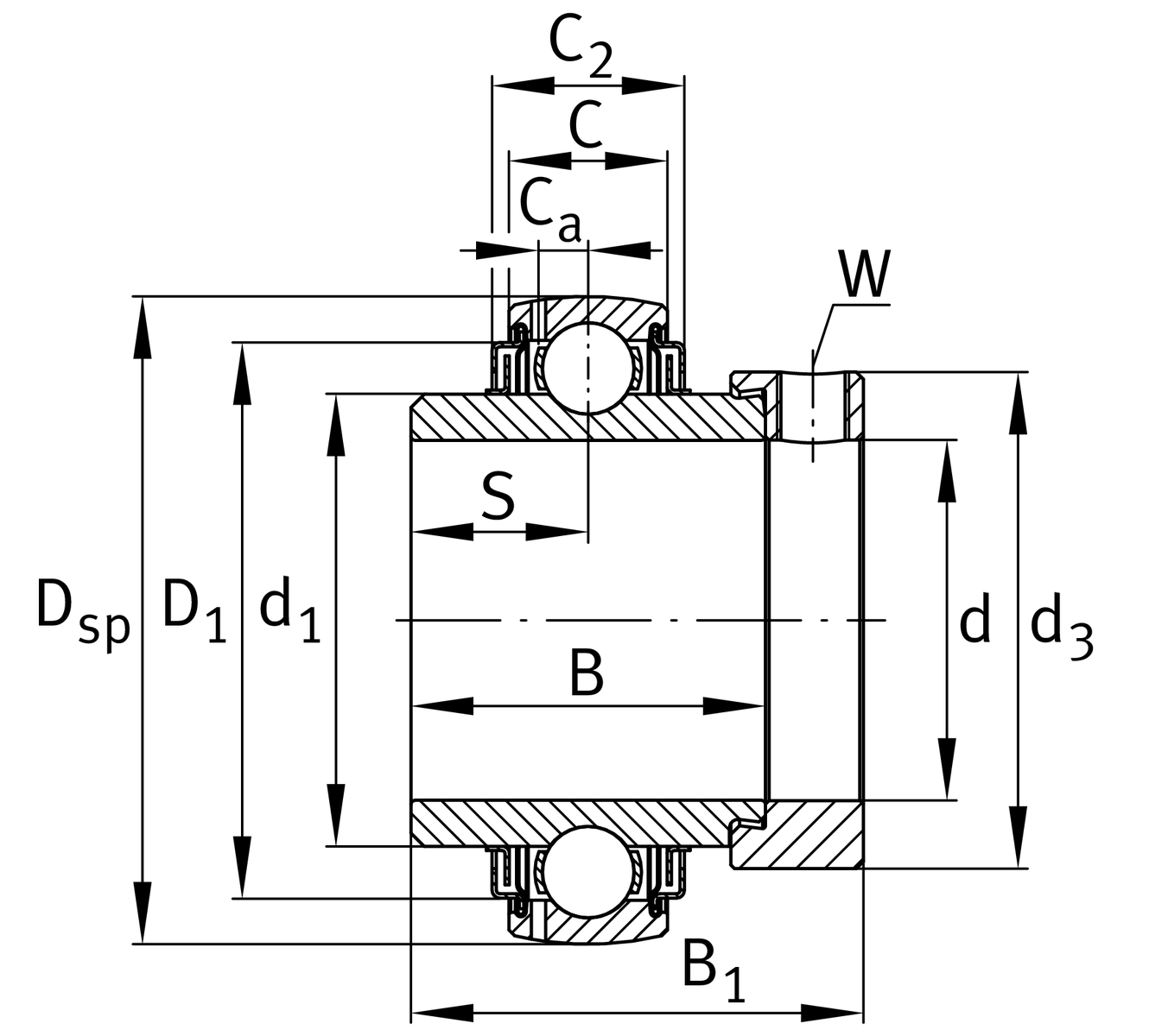
| 主要尺寸&性能数据 | ||
| d | 30 mm | 内径 |
| DSP | 62 mm | 外径 |
| B | 36.5 mm | 宽度 |
| B1 | 48.5 mm | 锁环总宽度 |
| nG Grease | 13,800 1/min | 极限转速-脂润滑 |
| Cr | 20,700 N | 径向额定动载荷 |
| C0r | 11,300 N | 径向额定静载荷 |
| Cur | 480 N | 径向极限疲劳载荷 |
| 0.39 kg | 重量 | |
| 尺寸参数 | ||
| C | 18 mm | 外圈宽度 |
| C2 | 20.6 mm | 密封总宽度 |
| S | 18.3 mm | 滚道距离 |
| d1 | 40.2 mm | 内圈挡边直径 |
| D1 | 52 mm | 密封件外径 |
| Ca | 4.7 mm | 到润滑孔的距离 |
| d3 | 44 mm | 外圈锁环/锁紧螺母 |
| W | 4 | 单元宽度 |
| 计算因素 | ||
| f | 13.8 | 计算因子 |
| 密封 | KLL | 两侧迷宫密封 |
| 外表面形状 | B | B |

