INA GAL8-UK轴承尺寸、参数、图纸、互换、价格
INA GAL8-UK轴承
更新日期:2025-03-10 12:04:26
市场价:¥112.89元
销售价:电话咨询
库存:150套
INA GAL8-UK轴承属于外螺纹杆端关节轴承,左旋螺纹,免维护,滑动层:PTFE复合材料,DIN ISO 12240-4 标准尺寸 EM系列,内圈外表面带硬镀铬涂层,开式设计。
前缀列表:【G:杆端关节轴承】【A:外螺纹】【L:左旋螺纹】。后缀列表:【-UK:免维护关节轴承,内圈曲面带硬铬镀层,ISO12240-1 标准尺寸E系列】。
技术研究
如您是工程师,需要对轴承进行研究、计算、选型等,都可以直接联系我,微信:caloc-cn。
产品咨询
如您对产品有任何需求,包括询价、采买以及替换等,都可以直接联系我,联系方式如下。
在线咨询咨询热线
138 6103 7112
138 6103 7112
电话咨询电话/微信(长按复制)
13504113081
13504113081
G
A
L
8
-
U
K
G:杆端关节轴承
A:外螺纹
L:左旋螺纹
8:内径代号,关节轴承内径:8 mm
-UK:免维护关节轴承,内圈曲面带硬铬镀层,ISO12240-1 标准尺寸E系列
G:
杆端关节轴承
A:
外螺纹
L:
左旋螺纹
8:
内径代号,关节轴承内径:8 mm
-UK:
免维护关节轴承,内圈曲面带硬铬镀层,ISO12240-1 标准尺寸E系列
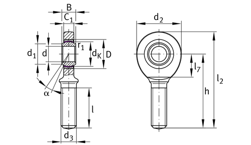
| 主要尺寸&性能数据 | ||
| d | 8 mm | 轴承内径 |
| d2 | 24 mm | 外入口直径 |
| D | 16 mm | 轴承外径 |
| l2 | 54 mm | 外螺纹杆全长 |
| B | 8 mm | 带内圈 |
| Cr | 5,850 N | 径向额定动载荷 |
| C0r | 12,900 N | 径向额定静载荷 |
| 33 g | 重量 | |
| 尺寸参数 | ||
| dK | 13 mm | 滚珠直径 |
| d1 | 10.2 mm | 内圈外法兰直径 |
| d3 | M8 | 螺纹尺寸 |
| h | 42 mm | 外螺纹杆柄长 |
| C1 | 6 mm | 杆端宽度 |
| α | 15 ° | 倾角 |
| l1 | 22 mm | 外螺纹杆长度 |
| l7 | 14 mm | 带轴启动的远程钻孔 |
| Gr | 0 - 0,032 mm | 径向游隙 |
| dOT | 0 mm | 轴承内径,上公差 |
| dUT | -0.008 mm | 轴承内径,下公差 |
| BOT | 0 mm | 带内圈,上公差 |
| BUT | -0.12 mm | 带内圈,下公差 |
| 安装参数 | ||
| r1smin | 0.3 mm | 边缘间距 |
| 工作温度 | ||
| Tmin | -50 °C | 最低工作温度 |
| Tmax | 200 °C | 最高工作温度 |
| 密封 | 不带 |
