INA EGW38-E40-Z轴承尺寸、参数、图纸、互换、价格
INA EGW38-E40-Z轴承
更新日期:2025-03-13 16:35:49
市场价:¥20.83元
销售价:电话咨询
库存:32套
INA EGW38-E40-Z轴承属于止推垫圈,免维护,材料符合 ISO 3547-4 标准,带钢背衬。
前缀列表:【EGW:推力垫圈,【金属-聚合物】滑动轴承】。后缀列表:【-E40:免维护滑动层】【-Z:产地:中国】。
技术研究
如您是工程师,需要对轴承进行研究、计算、选型等,都可以直接联系我,微信:caloc-cn。
产品咨询
如您对产品有任何需求,包括询价、采买以及替换等,都可以直接联系我,联系方式如下。
在线咨询咨询热线
138 6103 7112
138 6103 7112
电话咨询电话/微信(长按复制)
13504113081
13504113081
E
G
W
3
8
-
E
4
0
-
Z
EGW:推力垫圈,【金属-聚合物】滑动轴承
38:内径代号,内径:38 mm
-E40:免维护滑动层
-Z:产地:中国
EGW:
推力垫圈,【金属-聚合物】滑动轴承
38:
内径代号,内径:38 mm
-E40:
免维护滑动层
-Z:
产地:中国
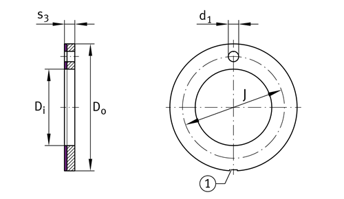
| 主要尺寸&性能数据 | ||
| Di | 38 mm | 内径 |
| s3 | 1.5 mm | 内壁厚度 |
| Ca | 264,000 N | 基本额定动载荷,轴向 |
| C0a | 471,000 N | 基本额定静载荷,轴向 |
| 20.9 g | 重量 | |
| 尺寸参数 | ||
| J | 50 mm | 节圆 |
| d1 | 4 mm | 固定孔直径 |
| ta | 1 mm | 安装尺寸 |
| d6a | 62 mm | 安装尺寸 d_6a |
| Di OT | 0.25 mm | 内径,上公差 |
| Di UT | 0 mm | 内径,下公差 |
| Do | 62 mm | 外径 |
| Do OT | 0 mm | 外径,上公差 |
| Do UT | -0.25 mm | 外径,下公差 |
| s3 OT | 0 mm | 内壁厚度,上公差 |
| s3 UT | -0.05 mm | 内壁厚度,下公差 |
| JOT | 0.12 mm | 节圆,上公差 |
| JUT | -0.12 mm | 节圆,下公差 |
| d1 OT | 0.4 mm | 固定孔直径,上公差 |
| d1 UT | 0.1 mm | 固定孔直径,下公差 |
| ta OT | 0.2 mm | 安装尺寸,上公差 |
| ta UT | -0.2 mm | 安装尺寸,下公差 |
| d6a OT | 0.12 mm | 安装尺寸 d_6a,上公差 |
| d6a UT | -0.12 mm | 安装尺寸 d_6a,下公差 |
| 工作温度 | ||
| Tmin | -200 °C | 最低工作温度 |
| Tmax | 280 °C | 最高工作温度 |
| 滑动层材料 | E40 | 免维护滑动层E40 |
| 背衬材质 | 钢 |
| 其他型号 | 市场价 | 销售价 | 库存 |
| INA EGW38 -E40轴承,货期1-3周 | ¥22.04元 | - | 30 |

