INA CSEC060-HLE轴承尺寸、参数、图纸、互换、价格
INA CSEC060-HLE轴承
更新日期:2025-02-27 13:14:18
市场价:¥12350.45元
销售价:电话咨询
库存:2套
INA CSEC060-HLE轴承属于角接触球轴承,薄壁轴承 CSEC 系列,带黄铜金属板保持架。
前缀列表:【CS:薄壁系列轴承】【E:角接触球型】【C:深沟球型】。后缀列表:【-HLE:产地:美国】。
技术研究
如您是工程师,需要对轴承进行研究、计算、选型等,都可以直接联系我,微信:caloc-cn。
产品咨询
如您对产品有任何需求,包括询价、采买以及替换等,都可以直接联系我,联系方式如下。
在线咨询咨询热线
138 6103 7112
138 6103 7112
电话咨询电话/微信(长按复制)
13504113081
13504113081
C
S
E
C
0
6
0
-
H
L
E
CS:薄壁系列轴承
E:角接触球型
C:深沟球型
060:标称轴直径:6 in
-HLE:产地:美国
CS:
薄壁系列轴承
E:
角接触球型
C:
深沟球型
060:
标称轴直径:6 in
-HLE:
产地:美国
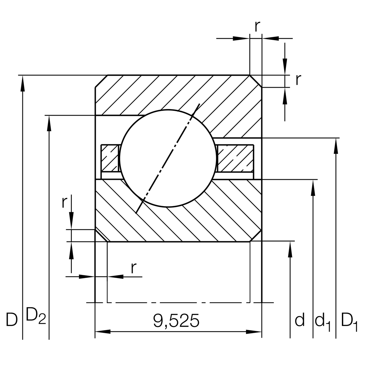
| 主要尺寸&性能数据 | ||
| d | 152.4 mm | 内径 |
| d | 6 inch | 内径(英制) |
| D | 171.45 mm | 外径 |
| B | 9.525 mm | 宽度 |
| Cr | 9,300 N | 径向额定动载荷 |
| C0r | 15,000 N | 径向额定静载荷 |
| nG | 3,500 1/min | 极限转速-油润滑 |
| 290 g | 重量 | |
| 尺寸参数 | ||
| rmin | 1 mm | 最小倒角尺寸 |
| d1 | 159.4 mm | 内圈肩径 |
| D1 | 164.4 mm | 外圈宽侧面的肩部直径 |
| D2 | 166.4 mm | 外圈小侧面的肩部直径 |
| α | 30 ° | 接触角 |
| 工作温度 | ||
| Tmin | -30 °C | 最低工作温度 |
| Tmax | 120 °C | 最高工作温度 |
| 后勤代码 | HLE | - |
| 密封 | 不带 | 无密封 |
| 公差等级 | PL1 | PL1级,普通级 |
| 保持架 | YP | 黄铜金属板 |

