INA CSEB020-HLE轴承尺寸、参数、图纸、互换、价格
INA CSEB020-HLE轴承
更新日期:2025-02-27 13:13:40
市场价:¥4809.64元
销售价:电话咨询
库存:15套
INA CSEB020-HLE轴承属于角接触球轴承,薄壁轴承 CSEB 系列,带黄铜金属板保持架。
前缀列表:【CS:薄壁系列轴承】【E:角接触球型】【B:横截面高度 5/16"】。后缀列表:【-HLE:产地:美国】。
技术研究
如您是工程师,需要对轴承进行研究、计算、选型等,都可以直接联系我,微信:caloc-cn。
产品咨询
如您对产品有任何需求,包括询价、采买以及替换等,都可以直接联系我,联系方式如下。
在线咨询咨询热线
138 6103 7112
138 6103 7112
电话咨询电话/微信(长按复制)
13504113081
13504113081
C
S
E
B
0
2
0
-
H
L
E
CS:薄壁系列轴承
E:角接触球型
B:横截面高度 5/16"
020:标称轴直径:2 in
-HLE:产地:美国
CS:
薄壁系列轴承
E:
角接触球型
B:
横截面高度 5/16"
020:
标称轴直径:2 in
-HLE:
产地:美国
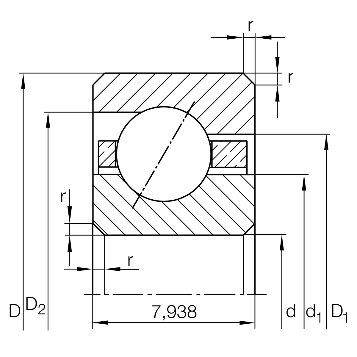
| 主要尺寸&性能数据 | ||
| d | 50.8 mm | 内径 |
| d | 2 inch | 内径(英制) |
| D | 66.675 mm | 外径 |
| B | 7.938 mm | 宽度 |
| Cr | 4,750 N | 径向额定动载荷 |
| C0r | 4,200 N | 径向额定静载荷 |
| nG | 10,000 1/min | 极限转速-油润滑 |
| 70 g | 重量 | |
| 尺寸参数 | ||
| rmin | 1 mm | 最小倒角尺寸 |
| d1 | 56.7 mm | 内圈肩径 |
| D1 | 60.8 mm | 外圈宽侧面的肩部直径 |
| D2 | 62.6 mm | 外圈小侧面的肩部直径 |
| α | 30 ° | 接触角 |
| 工作温度 | ||
| Tmin | -30 °C | 最低工作温度 |
| Tmax | 120 °C | 最高工作温度 |
| 后勤代码 | HLE | - |
| 密封 | 不带 | 无密封 |
| 公差等级 | PL1 | PL1级,普通级 |
| 保持架 | YP | 黄铜金属板 |

