INA BK2518-RS-L271轴承尺寸、参数、图纸、互换、价格
INA BK2518-RS-L271轴承
更新日期:2025-03-01 18:52:32
市场价:¥56.97元
销售价:电话咨询
库存:140套
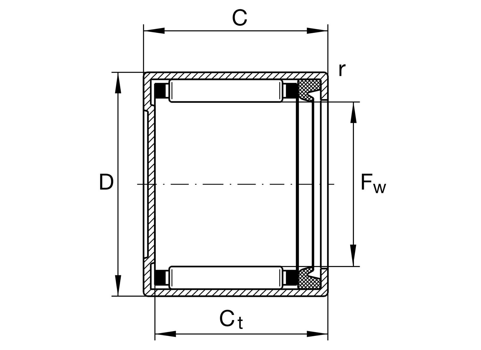
INA BK2518-RS-L271轴承属于封闭端冲压外圈滚针轴承 BK..-RS 系列,单面唇封。
前缀列表:【BK:一端封闭型冲压外圈滚针轴承,带保持架】。后缀列表:【-RS:单侧带轴向防护型接触唇式密封圈】【-L271:L271 耐磨润滑脂】。
技术研究
如您是工程师,需要对轴承进行研究、计算、选型等,都可以直接联系我,微信:caloc-cn。
产品咨询
如您对产品有任何需求,包括询价、采买以及替换等,都可以直接联系我,联系方式如下。
在线咨询咨询热线
138 6103 7112
138 6103 7112
电话咨询电话/微信(长按复制)
13504113081
13504113081
B
K
2
5
1
8
-
R
S
-
L
2
7
1
BK:一端封闭型冲压外圈滚针轴承,带保持架
25:内径代号,内径:25 mm
18:宽度代号,宽度:18 mm
-RS:单侧带轴向防护型接触唇式密封圈
-L271:L271 耐磨润滑脂
BK:
一端封闭型冲压外圈滚针轴承,带保持架
25:
内径代号,内径:25 mm
18:
宽度代号,宽度:18 mm
-RS:
单侧带轴向防护型接触唇式密封圈
-L271:
L271 耐磨润滑脂
| 主要尺寸&性能数据 | ||
| Fw | 25 mm | 下滚子直径 |
| D | 32 mm | 外径 |
| C | 18 mm | 外圈宽度 |
| Cr | 15,600 N | 径向额定动载荷 |
| C0r | 24,000 N | 径向额定静载荷 |
| Cur | 3,200 N | 径向极限疲劳载荷 |
| nG | 6,100 1/min | 极限转速 |
| nG Grease | 6,100 1/min | 极限转速-脂润滑 |
| 34 g | 重量 | |
| 尺寸参数 | ||
| rmin | 0.8 mm | 最小倒角尺寸 |
| Ct min | 15.3 mm | 带封闭端的冲压外圈滚针轴承的最小宽度 |
| 工作温度 | ||
| Tmin | -20 °C | 最低工作温度 |
| Tmax | 100 °C | 最高工作温度 |
| 附加附件 | ||
| LR20X25X20,5 | 适合的内圈LR | |
| IR20X25X20,5-XL | 适合的内圈 | |
| 润滑方式 | L271 | 脂润滑(L271/客户专用) |
| 润滑孔 | 不带 | |
| 涂层 | 不带 | |
| 密封 | RS | 单面接触式密封 |
| 其他型号 | 市场价 | 销售价 | 库存 |
| INA BK2518-RS轴承,货期2-3周 | ¥52.2元 | - | 9 |
