INA BE25-XL轴承尺寸、参数、图纸、互换、价格
INA BE25-XL轴承
更新日期:2025-02-27 14:04:54
市场价:¥111.65元
销售价:电话咨询
库存:100套
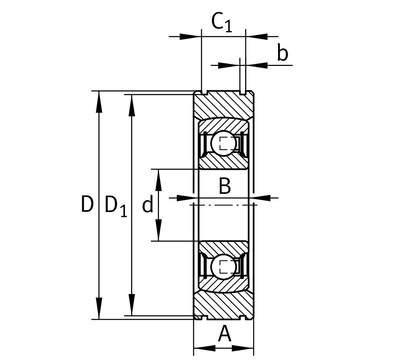
INA BE25-XL轴承属于径向外球面轴承 BE 系列,圆柱外圈,带钢定位环,双面带P型密封件。
前缀列表:【BE:带钢质调心圈的外球面球轴承,圆柱面外圈】。后缀列表:【-XL:X-life 长寿命轴承标记】。
技术研究
如您是工程师,需要对轴承进行研究、计算、选型等,都可以直接联系我,微信:caloc-cn。
产品咨询
如您对产品有任何需求,包括询价、采买以及替换等,都可以直接联系我,联系方式如下。
在线咨询咨询热线
138 6103 7112
138 6103 7112
电话咨询电话/微信(长按复制)
13504113081
13504113081
B
E
2
5
-
X
L
BE:带钢质调心圈的外球面球轴承,圆柱面外圈
25:基本代号,与轴承内径尺寸有关
-XL:X-life 长寿命轴承标记
BE:
带钢质调心圈的外球面球轴承,圆柱面外圈
25:
基本代号,与轴承内径尺寸有关
-XL:
X-life 长寿命轴承标记
| 主要尺寸&性能数据 | ||
| d | 25 mm | 内径 |
| D | 62 mm | 外径 |
| Cr | 14,000 N | 径向额定动载荷 |
| C0r | 7,800 N | 径向额定静载荷 |
| Cur | 410 N | 径向极限疲劳载荷 |
| 0.24 kg | 重量 | |
| 尺寸参数 | ||
| A | 17 mm | 外圈宽度 |
| C1 | 11.2 mm | 环槽距离 |
| 0.2 mm | 环槽上距离公差 | |
| b | 1.9 mm | 固定槽宽度 |
| 0.3 mm | 螺母宽度上公差 | |
| D1 | 59.6 mm | 沟槽直径 |
| -0.5 mm | 螺母直径下公差 | |
| 计算因素 | ||
| f | 13.8 | 计算因子 |
| 附加附件 | ||
| 205-XL-NPP-B | 轴承型号 | |

